Este circuito consiste en una configuración bastante conocida de oscilador con transistores complementarios, explotadas otras veces en este sitio. El diferencial en este caso, es que mostramos el montaje en una matriz de contactos.
El circuito produce chasquidos a intervalos regulares que se pueden ajustar en el potenciómetro. El sonido de estos chasquidos sirve para ayudar a mantener el ritmo en gimnasia, carrera o tocando algún instrumento.
El circuito puede ser alimentado con tensiones de 3 a 6 V en la versión original y cambiando Q2 por un BD136 podemos alimentar con tensiones hasta 12 V obteniendo mayor potencia.
La frecuencia depende también de C1 que puede tener su valor cambiado en un buen rango de valores. El interruptor es opcional y el circuito se puede instalar en una pequeña caja de plástico.
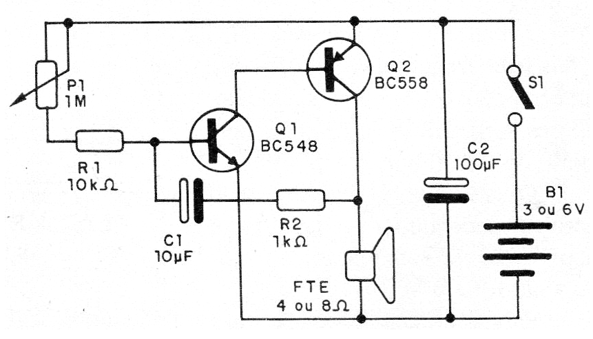
En la figura 1 tenemos el diagrama completo del metrónomo.
En la figura 2 tenemos el montaje en un puente de terminales.
En la figura 3 tenemos el montaje en una matriz de contactos, versión ideal para cursos técnicos o de iniciación a la electrónica.
Para probar el circuito, basta con alimentar el aparato y ajustar P1 para que el altavoz produzca chasquidos intervalos.
Lista de material
Q1 - BC548 - transistores NPN de uso general
Q2-BC558 - transistores PNP de uso general
S1- Interruptor simple - opcional
B1 - 3 a 6 V- 2 a 4 pilas de cualquier tamaño
FTE-4 o 8 ohms - altavoz pequeño
P1 - 1 M ohms - pote
R1 - 10 k ohms x 1/8 W - resistor - marrón, negro, naranja
R2- 1 k ohms x 1/8 W - resistor - marrón, negro, rojo
C1- 10 uF x 12 V- capacitor electrolítico
C2- 100 uF x 12 V - capacitor electrolítico
Varios:
Puente de terminales o matriz de contactos, soporte de pilas, caja para montaje, botón para el potenciómetro, hilos, soldadura, etc.






