un inyector de señales consiste en un circuito que genera una frecuencia de audio para prueba en circuitos amplificadores y radios.
Inyectando la señal de ese circuito en una radio o en un amplificador, podemos comprobar si está funcionando o no. Su señal se reproducirá en forma de silbido en el altavoz del aparato.
Para averiguar dónde está el fallo en un circuito vamos inyectando la señal del altavoz a la entrada del circuito hasta el punto en que la señal desaparezca. Cuando esto ocurre, es porque llegamos al paso con problemas.
Debemos entonces verificar el estado de los componentes de esta etapa.
Nuestro circuito consiste en un multivibrador astable con dos transistores montados sobre la base de un puente de terminales, para que el montaje sea lo más simple posible.
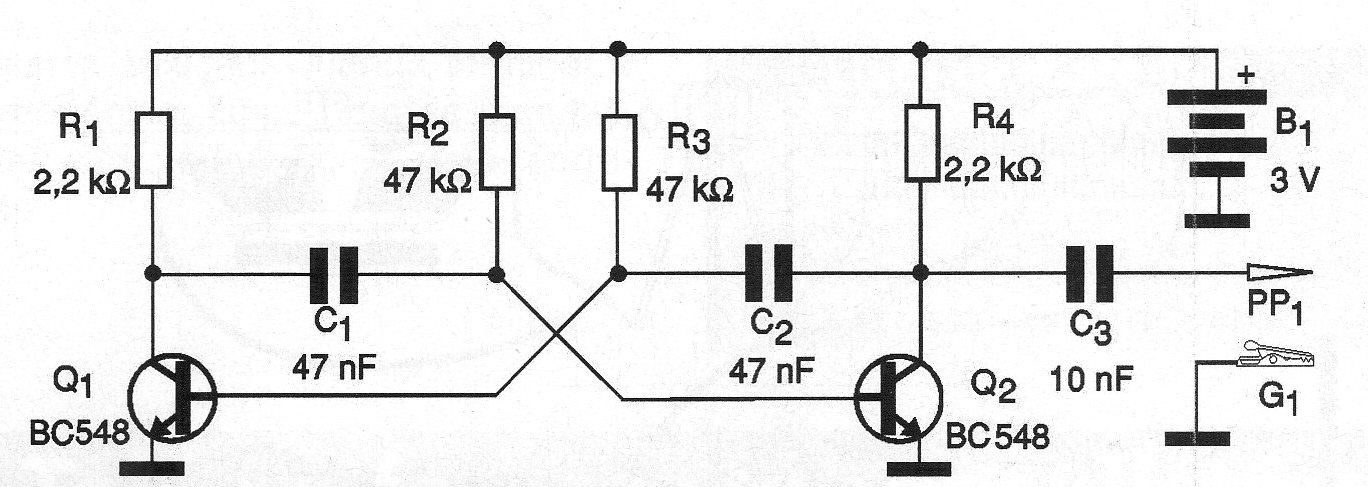
El diagrama del inyector se muestra en la figura 1.
El montaje en puente se muestra en la figura 2. Por supuesto, los lectores más habilidosos pueden hacer el montaje en matriz de contactos o placa de circuito impreso.
Material
Q1, Q2 - BC548 o equivalente - transistores de uso general
R1, R4 - 2,2 k ohms x 1/8 W - resistores - rojo, rojo, rojo
R2, R3 - 47 k ohms x 1/8 W - resistores - amarillo, violeta, naranja
C1, C2 - 47 nF - capacitores cerámicos o poliéster
C3 - 10 nF - capacitores de cerámica o poliéster
B1 - 3 V - 2 pilas pequeñas
PP1 – punta de prueba
G1 - Garra cocodrilo
Varios:
Puente de terminales, soporte de dos pilas, cajón para montaje, hilos, soldadura, etc.





