Si usted necesita un circuito para producir un tono continuo en un bocadillo o cápsula piezoeléctrica de cerámica, damos a continuación una configuración simple usando transistores comunes. Newton C. Braga
Lea más:
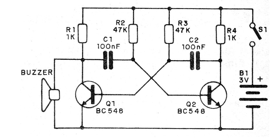
El circuito presentado consiste en un multivibrador astable que puede ser alimentado con tensiones de 3 a 12 V y en algunos casos puede incluso funcionar con 1,5 V.
La frecuencia depende de los capacitores, que pueden ser alterados en el sentido de obtener el sonido deseado, o de conseguir la frecuencia de resonancia del transductor, en cuyo caso obtenemos mayor rendimiento.
El circuito completo del buzzer se muestra en la figura 1.
El montaje se puede realizar tanto en una matriz de contactos como en un puente de terminales.
Para el puente de terminales damos a disposición de los componentes en la figura 2.
En el montaje, observe las posiciones de los transistores.
Los resistores son de 1/8 W con cualquier tolerancia y los capacitores pueden ser cerámicos o de poliéster.
Para alimentación superior a 9 V aumenta R1 y R4 a 2k2 ohmios.
Lista de material
Q1, Q2 - BC548 - transistores NPN de uso general
C1, C2 - 10 nF a 100 nF - capacitores
R1, R4 - 1 k ohms - resistores - marrón, negro, rojo
R2, R3 - 47 k ohms - resistores - amarillo, violeta, naranja
B1 - 3 a 12 V - pilas o batería
S1 - Interruptor simple
¿Varios?
Soporte de pilas, puente de terminales, hilos, soldadura.




