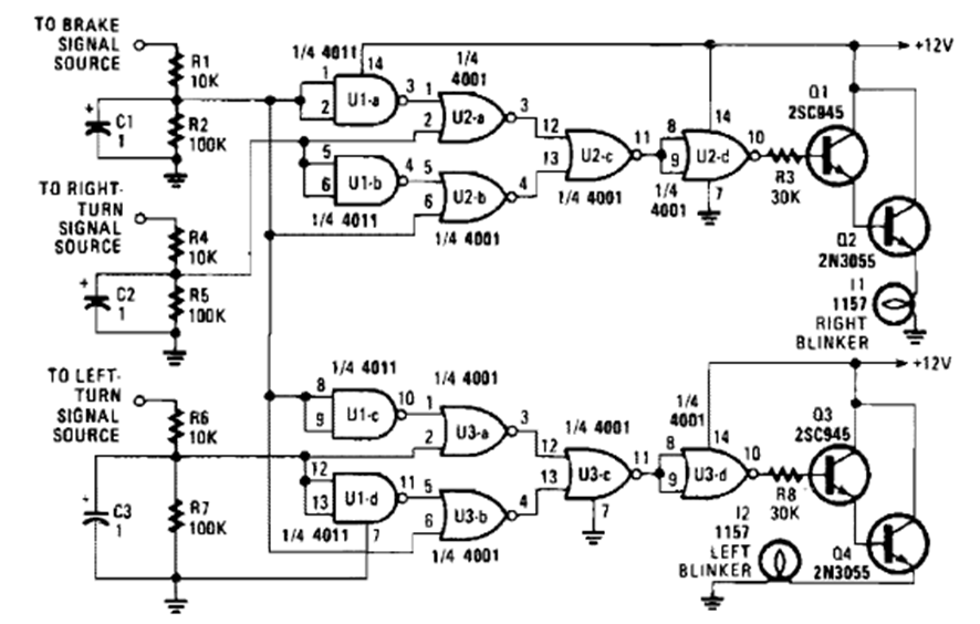
Este circuito para coches de la época se encontró en una revista Popular Electronics de los años 90. El circuito se basa en la lógica CMOS, común incluso hoy en día.
Esta versión del juego de habilidad conocido como Nervo-prueba no da golpes en nadie, pero también...
Este reforzador de señales permite mejorar la recepción de su radito de ondas medias y cortas (no...
El circuito de la figura 1 excita un LED con parpadeos regulares que se pueden utilizar para...