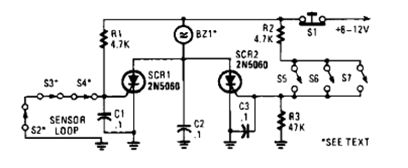
Esta alarma con sensores en serie y paralelo se encontró en la Enciclopedia de Circuitos Electrónicos de 1995. El número de sensores se puede modificar a voluntad.
Los transistores de efecto de campo de potencia (Power MOSFETs) pueden controlar corrientes...
Cuando un pulso de luz incide en el LDR, este circuito dispara un temporizador monoestable 555 que acciona...
Nuestro circuito práctico, ilustrado en la figura 1, tiene una configuración similar a la anterior...