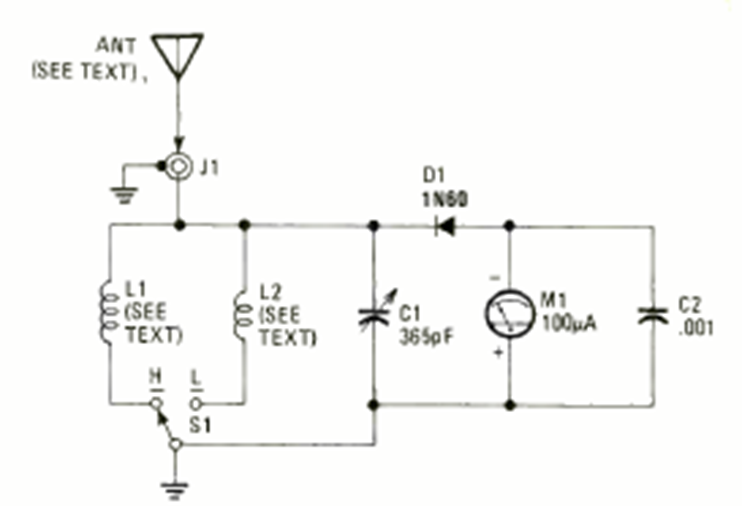
Este circuito simple para el rango de 3 a 30 MHz se encontró en el Elecrronics Experimenter Handbook Special Projects de 1983. Las bobinas constan de 10 y 50 vueltas de 32 hilos en una resistencia de 1 M x ½ W.
Los transistores de efecto de campo de potencia (Power MOSFETs) pueden controlar corrientes...
Cuando un pulso de luz incide en el LDR, este circuito dispara un temporizador monoestable 555 que acciona...
Nuestro circuito práctico, ilustrado en la figura 1, tiene una configuración similar a la anterior...