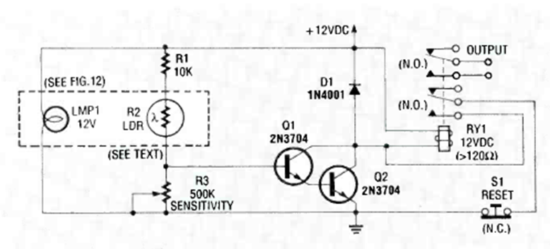
Este circuito se encontró en el Electronics Experimenter Handbook de 1991. Activa un relé cuando la luz incide sobre un sensor.
Los transistores de efecto de campo de potencia (Power MOSFETs) pueden controlar corrientes...
Cuando un pulso de luz incide en el LDR, este circuito dispara un temporizador monoestable 555 que acciona...
Nuestro circuito práctico, ilustrado en la figura 1, tiene una configuración similar a la anterior...