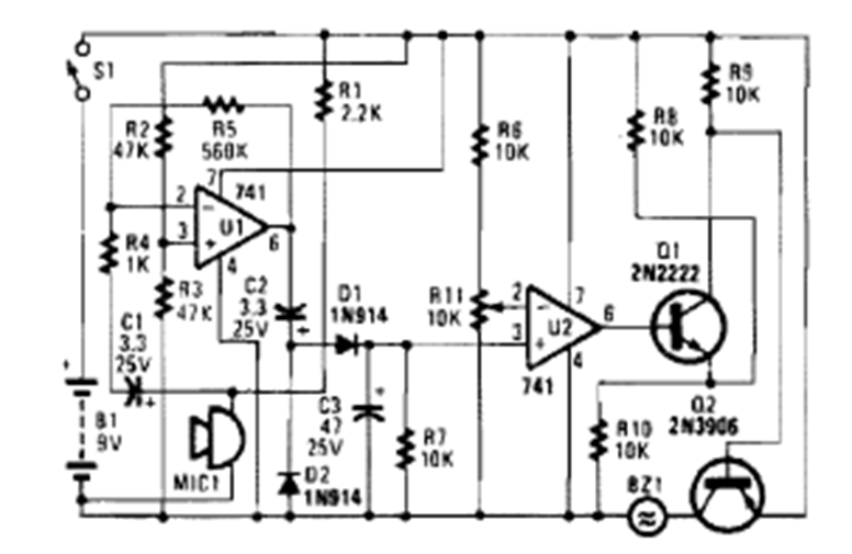
Esta sirena de alarma se encontró en el volumen 5 de la Enciclopedia de Circuitos Electrónicos de 1995. El circuito alimenta un zumbador.
Los transistores de efecto de campo de potencia (Power MOSFETs) pueden controlar corrientes...
Cuando un pulso de luz incide en el LDR, este circuito dispara un temporizador monoestable 555 que acciona...
Nuestro circuito práctico, ilustrado en la figura 1, tiene una configuración similar a la anterior...