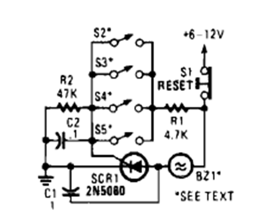
Esta sencilla alarma SCR activa un zumbador. Se encontró en la Enciclopedia de Circuitos Electrónicos, Volumen 5 de 1995. El circuito se alimenta con tensiones de 6 a 12 V.

Esta sencilla alarma SCR activa un zumbador. Se encontró en la Enciclopedia de Circuitos Electrónicos, Volumen 5 de 1995. El circuito se alimenta con tensiones de 6 a 12 V.
