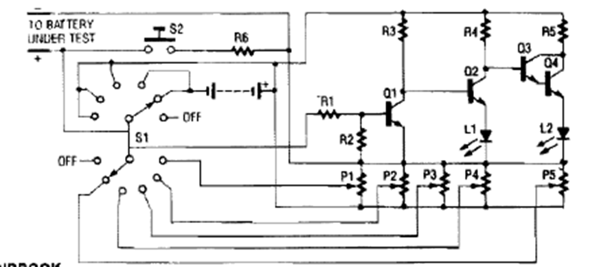
Este circuito de prueba se encontró en el Hobbyst Handbook (PE) en una edición de la década de 1990. El circuito prueba la batería bajo carga. La carga, al seleccionarse la batería mediante el interruptor.
Los transistores de efecto de campo de potencia (Power MOSFETs) pueden controlar corrientes...
Cuando un pulso de luz incide en el LDR, este circuito dispara un temporizador monoestable 555 que acciona...
Nuestro circuito práctico, ilustrado en la figura 1, tiene una configuración similar a la anterior...