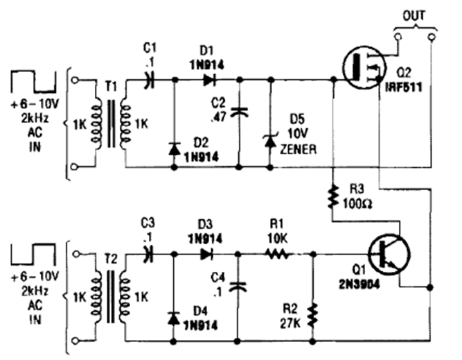
Este circuito conmuta cargas de potencia mediante señales de audio. El circuito es de una Popular Electronics de los años 90. Los componentes se pueden cambiar según la señal utilizada.
Los transistores de efecto de campo de potencia (Power MOSFETs) pueden controlar corrientes...
Cuando un pulso de luz incide en el LDR, este circuito dispara un temporizador monoestable 555 que acciona...
Nuestro circuito práctico, ilustrado en la figura 1, tiene una configuración similar a la anterior...