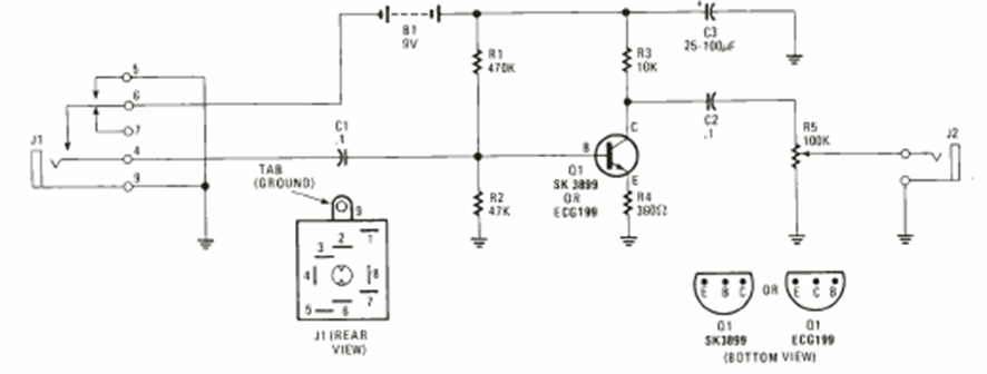
Encontramos este circuito en los Radio Electronics Special Projects de 1992. El circuito enciende la alimentación cuando se inserta el enchufe del micrófono en el conector de entrada.
Los transistores de efecto de campo de potencia (Power MOSFETs) pueden controlar corrientes...
Cuando un pulso de luz incide en el LDR, este circuito dispara un temporizador monoestable 555 que acciona...
Nuestro circuito práctico, ilustrado en la figura 1, tiene una configuración similar a la anterior...