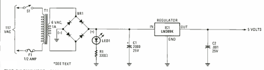
Éste es uno de los muchos usos posibles de los reguladores integrados. Esta fuente de alimentación para experimentador del Electronics Experimenter Special Projects de 1981 utiliza un transformador de un solo devanado con rectificación de puente.
Los transistores de efecto de campo de potencia (Power MOSFETs) pueden controlar corrientes...
Cuando un pulso de luz incide en el LDR, este circuito dispara un temporizador monoestable 555 que acciona...
Nuestro circuito práctico, ilustrado en la figura 1, tiene una configuración similar a la anterior...