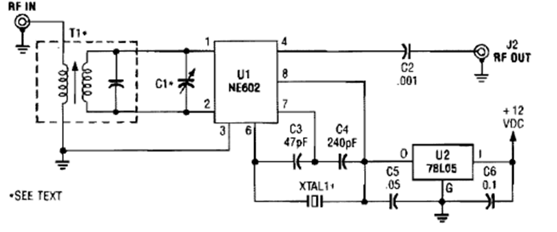
Encontramos este r circuito numa Popular Electronics de la década de 1990. El transformador T1 determina el rango de frecuencia recibido y el cristal de frecuencia en el que se recibirá la señal convertida.
Los transistores de efecto de campo de potencia (Power MOSFETs) pueden controlar corrientes...
Cuando un pulso de luz incide en el LDR, este circuito dispara un temporizador monoestable 555 que acciona...
Nuestro circuito práctico, ilustrado en la figura 1, tiene una configuración similar a la anterior...