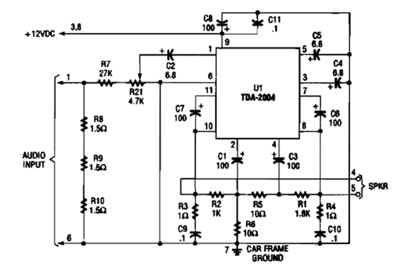
Este amplificador de audio para coche se encontró en un manual de aficionados a la electrónica popular de la década de 1990. El circuito utiliza el TDA2004 para amplificar la salida de radio de los coches de la época.
Este pequeño temporizador se puede utilizar con las más diversas finalidades como, cronometrar el tiempo...
Este proyecto permite emular un foto-tiristor, es decir, una foto SCR usando un fototransistor común...
Este pequeño paso amplificador se puede utilizar como refuerzo para auriculares o como...