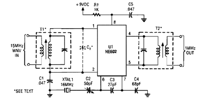
Este convertidor para señales de estaciones de referencia horaria WWV se encontró en Popular Electronics. Las señales de 15 MHz ahora se reciben en una radio de onda media a 1 MHz.
Este circuito hace un LED bicolor o dos LEDs de colores diferentes parpadean alternativamente, a una velocidad...
Este oscilador que excita 3 LEDs de forma secuencial también se llama oscilador en círculo. La...
Si usted todavía no tiene un multímetro u otro instrumento de prueba en su bancada y desea saber si...