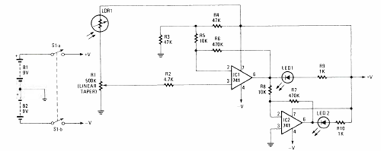
Adecuado para trabajos de fotografía, este circuito es de un Radio Experimenter Special Projects de 1993. El sensor es un LDR y se utilizan dos amplificadores operacionales comunes.
Este circuito hace un LED bicolor o dos LEDs de colores diferentes parpadean alternativamente, a una velocidad...
Este oscilador que excita 3 LEDs de forma secuencial también se llama oscilador en círculo. La...
Si usted todavía no tiene un multímetro u otro instrumento de prueba en su bancada y desea saber si...