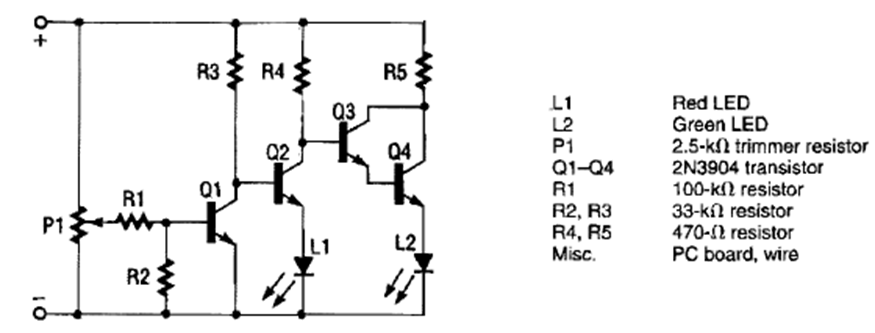
Este circuito de grado automotriz se encontró en una Electronics Hobbyst de 1991. Los transistores son de propósito general. P1 ajusta la tensión de monitoreo.
Este circuito hace un LED bicolor o dos LEDs de colores diferentes parpadean alternativamente, a una velocidad...
Este oscilador que excita 3 LEDs de forma secuencial también se llama oscilador en círculo. La...
Si usted todavía no tiene un multímetro u otro instrumento de prueba en su bancada y desea saber si...