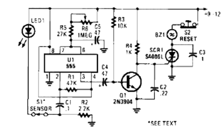
Este circuito basado en el 555 se obtuvo de la Enciclopedia de Circuitos Electrónicos de 1995, volumen 5. Activa un SCR cuando se corta el transistor.
Este circuito hace un LED bicolor o dos LEDs de colores diferentes parpadean alternativamente, a una velocidad...
Este oscilador que excita 3 LEDs de forma secuencial también se llama oscilador en círculo. La...
Si usted todavía no tiene un multímetro u otro instrumento de prueba en su bancada y desea saber si...