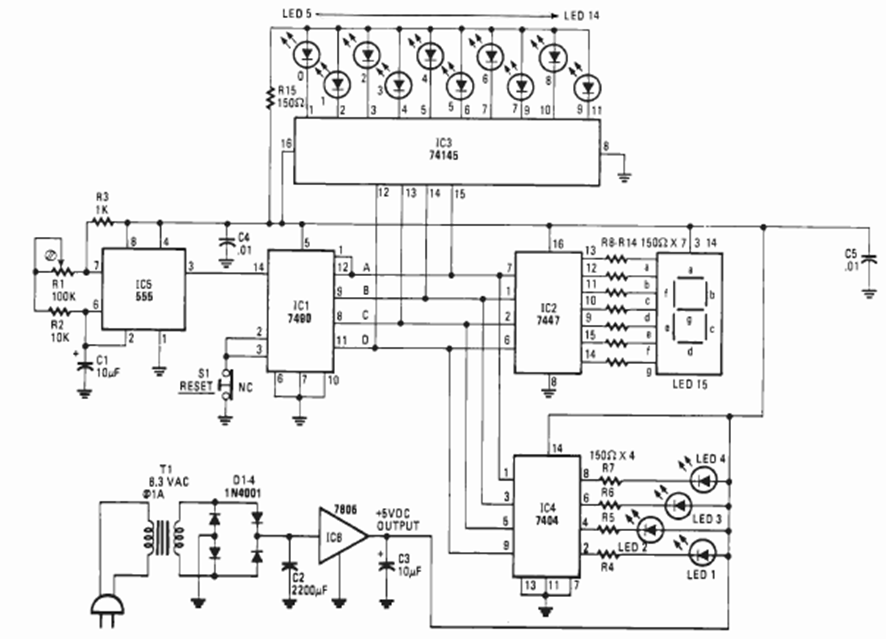
Este es un dispositivo para aquellos que necesitan demostrar que saben utilizar la electrónica digital, pero no tienen idea de qué hacer. El dispositivo simplemente hace parpadear los LED y muestra una pantalla. El circuito es de un proyecto especial de Radio Electronics de 1980.




