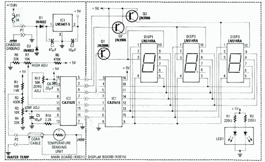
Utilizando un par de convertidores A/D de período, este circuito de 3 dígitos fue encontrado en la revista Radio Electronics Experimenter de 1992. El sensor es un termistor.
Este circuito hace un LED bicolor o dos LEDs de colores diferentes parpadean alternativamente, a una velocidad...
Este oscilador que excita 3 LEDs de forma secuencial también se llama oscilador en círculo. La...
Si usted todavía no tiene un multímetro u otro instrumento de prueba en su bancada y desea saber si...