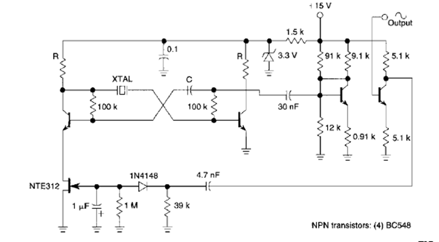
Este circuito oscilador de baja frecuencia se encontró en una Electronic Design de los años 90. Los transistores son comunes y la frecuencia la proporciona el cristal.
Este circuito hace un LED bicolor o dos LEDs de colores diferentes parpadean alternativamente, a una velocidad...
Este oscilador que excita 3 LEDs de forma secuencial también se llama oscilador en círculo. La...
Si usted todavía no tiene un multímetro u otro instrumento de prueba en su bancada y desea saber si...