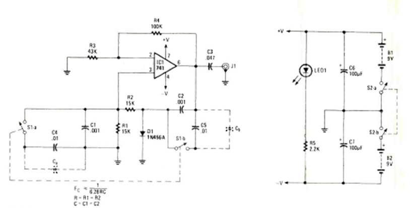
Esta prueba de cinta de casete es de la década de 1990. Fue encontrado en los Radio Electronics Special Projects de 1993. Se muestra la fuente de alimentación simétrica.
Este circuito hace un LED bicolor o dos LEDs de colores diferentes parpadean alternativamente, a una velocidad...
Este oscilador que excita 3 LEDs de forma secuencial también se llama oscilador en círculo. La...
Si usted todavía no tiene un multímetro u otro instrumento de prueba en su bancada y desea saber si...