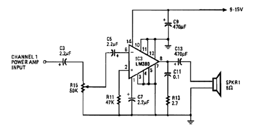
Este es un canal de un amplificador estéreo de pequeña potencia con el LM386 sugerido por la Radio Electrónics Experimenter en la edición de 1981. La potencia es de unos pocos watts.
La referencia de tensión de esta fuente es dada por una batería, que proporciona una corriente muy baja...
Encontrado en una documentación estadounidense de los años 90, este circuito tiene como objetivo...
Encontrado en la documentación estadounidense de los años 90, este circuito mantiene la luz de...