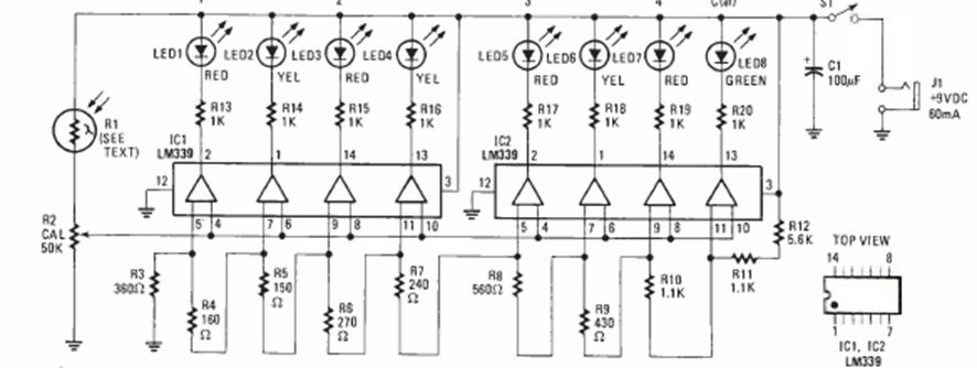
Este circuito para usos fotográficos se encontró en la revista Electronics Experimenter Handbook Special Projects de 1983. El circuito de gráfico de barras alimenta 8 LED.
El circuito presentado es sugerido por Motorola y consiste en un amplificador con impedancia muy alta de...
Este circuito oscila en el quinto armónico de la frecuencia del cristal utilizado. Se puede...
Este receptor pertenece a una publicación de 1922 de Hugo Gersnback. La bobina puede estar formada...