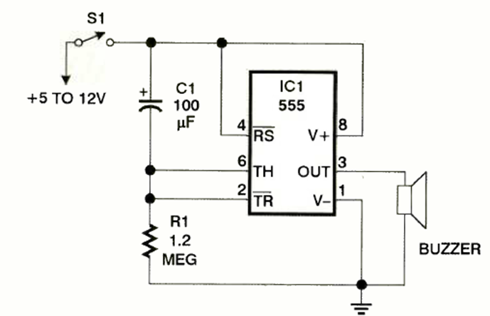
Esta es la configuración básica para accionar un zumbador de cerámica con el 555 que sonará en un intervalo de 2 minutos. Lo encontramos en la revista Electronics Now de noviembre de 1997. El zumbador es de tipo oscilador.
Esta configuración, que aparece en otros puntos de este sitio, fue encontrada en una documentación de...
El circuito de la figura representa una aplicación típica de un fototransistor que excita un relé...
Con sólo un transistor (PNP o NPN) usted puede hacer un teléfono de juguete con buen rendimiento gracias...