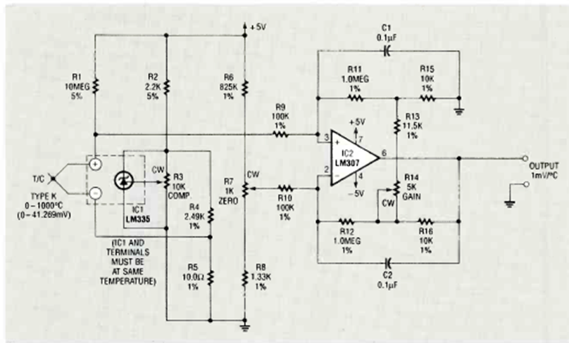
Encontramos este circuito en la revista Radio Electronics de abril de 1992. El circuito utiliza un sistema operativo que requiere una fuente de alimentación simétrica.
Esta configuración, que aparece en otros puntos de este sitio, fue encontrada en una documentación de...
El circuito de la figura representa una aplicación típica de un fototransistor que excita un relé...
Con sólo un transistor (PNP o NPN) usted puede hacer un teléfono de juguete con buen rendimiento gracias...