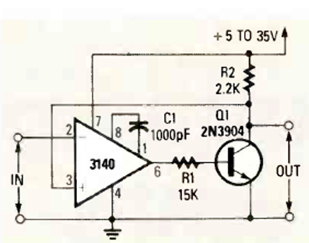
Añadiendo un transistor a la salida y algunas características de polarización podemos obtener una corriente de salida más alta para un dispositivo operativo. En este circuito la corriente es de 50 mA, pero se pueden utilizar otros transistores para corrientes más altas.




