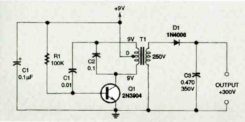
Este inversor de voltaje utiliza un pequeño transformador. El circuito fue encontrado en la edición de abril de 1995 de la revista Electronics Now. La corriente de salida es muy baja.
Esta configuración, que aparece en otros puntos de este sitio, fue encontrada en una documentación de...
El circuito de la figura representa una aplicación típica de un fototransistor que excita un relé...
Con sólo un transistor (PNP o NPN) usted puede hacer un teléfono de juguete con buen rendimiento gracias...