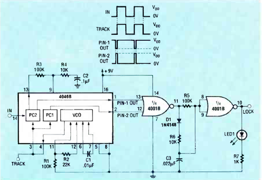
Utilizando un PLL 4046 este circuito reconoce un tono de 1,6 a 1,8 kHz, activando un LED de salida. El circuito es de una Radio Electronics de diciembre de 1989.
Esta configuración, que aparece en otros puntos de este sitio, fue encontrada en una documentación de...
El circuito de la figura representa una aplicación típica de un fototransistor que excita un relé...
Con sólo un transistor (PNP o NPN) usted puede hacer un teléfono de juguete con buen rendimiento gracias...