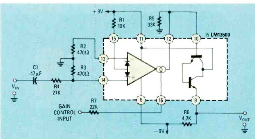
Este VCA se encontró en la revista Radio Electronics de julio de 1988. Utiliza un amplificador operacional OTA y su ganancia se ajusta mediante la tensión en la entrada de ganancia.
Con este circuito es posible controlar una pequeña lámpara incandescente a partir de un foco de...
Es un montaje experimental indicado como trabajo de ciencias, para demostraciones o incluso para...
El circuito presentado tiene como objetivo controlar una carga de potencia de corriente continua...