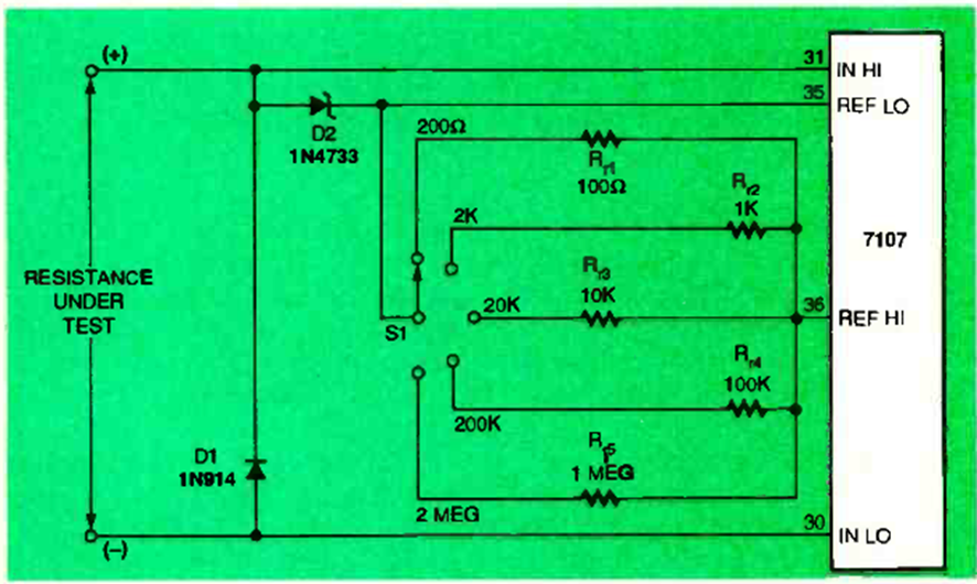
El circuito que se muestra es de la revista Electronics Now de noviembre de 1996. El circuito básico está en los 3 anteriores de esta sección. El circuito mide resistencias de hasta 2 M ohms.
Con este circuito es posible controlar una pequeña lámpara incandescente a partir de un foco de...
Es un montaje experimental indicado como trabajo de ciencias, para demostraciones o incluso para...
El circuito presentado tiene como objetivo controlar una carga de potencia de corriente continua...