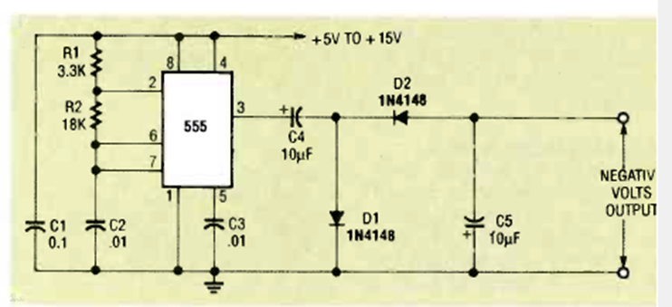
Este circuito inversor de polaridad para voltajes de hasta aproximadamente -12 V se encontró en la revista Radio Electronics de diciembre de 1992. La corriente es de unos pocos mA
.
Con este circuito es posible controlar una pequeña lámpara incandescente a partir de un foco de...
Es un montaje experimental indicado como trabajo de ciencias, para demostraciones o incluso para...
El circuito presentado tiene como objetivo controlar una carga de potencia de corriente continua...