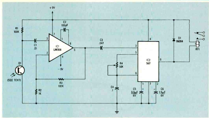
Este es el circuito receptor del control remoto anterior publicado en la misma revista Radio Electronics de noviembre de 1987. El sensor es un fototransistor ordinario.
Este oscilador experimental produce señales en la banda de ondas medias (OM) entre 550 y 1600 kHz,...
A diferencia del circuito mostrado en la figura, en relación al CIR8144r, es que utiliza un sensor...
Presentamos un circuito experimental con sólo dos transistores el cual, alimentado por pilas puede...