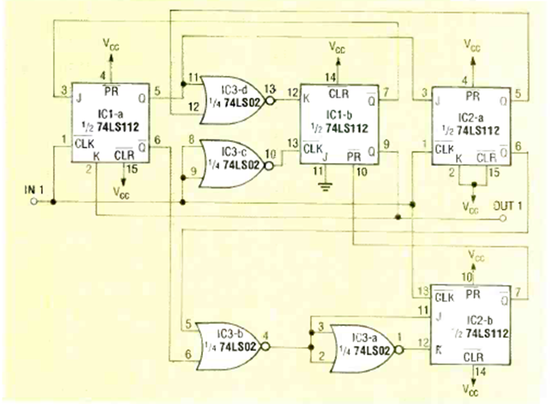
Este circuito TTL se encontró en la revista Radio Electronics de diciembre de 1990. El circuito tiene un ciclo de trabajo del 50%. Su alimentación debe ser de 5 V.
En la figura 1 tenemos un ultra-simple probador de continuidad en el que el "super-transistor" se utiliza para...
Esta es la versión más simple que se puede construir de una luz rítmica con lámpara de neón. La...
Este es un montaje para quien está aprendiendo electrónica o necesita un circuito simple que haga...