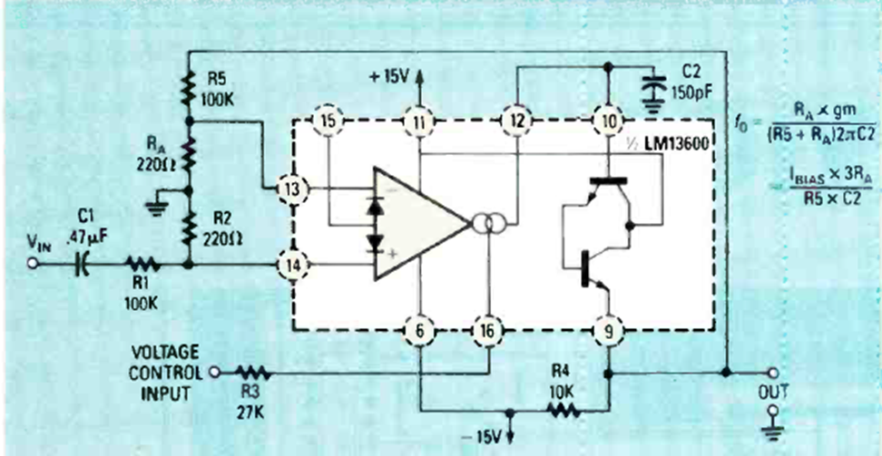
Este circuito, basado en un LM36000 OTA, se encontró en la edición de julio de 1988 de la revista Radio Electronics. Cubre frecuencias en el rango de 45 Hz a 45 kHz.
En la figura 1 tenemos un ultra-simple probador de continuidad en el que el "super-transistor" se utiliza para...
Esta es la versión más simple que se puede construir de una luz rítmica con lámpara de neón. La...
Este es un montaje para quien está aprendiendo electrónica o necesita un circuito simple que haga...