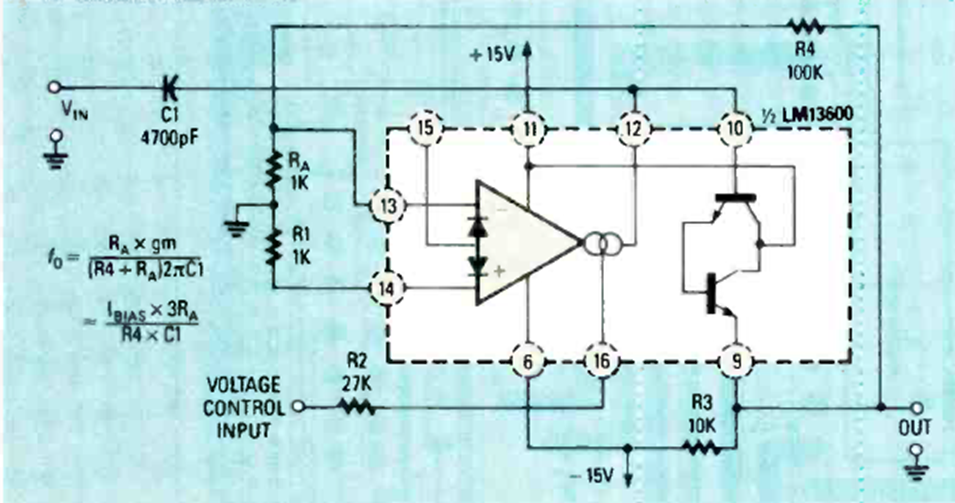
Este circuito, basado en un amplificador operacional OTA LM3600, fue encontrado en la revista Radio Electronics de julio de 1988. El rango es de 6 Hz a 6 kHz y puede modificarse.
En esta serie de Mini-Proyectos damos montajes simples que pueden ser realizados por principiantes...
El circuito mostrado en la figura 1 genera un tono intermitente en un transductor piezoeléctrico cuando se...
La frecuencia de este oscilador llega a algunos megahertz con el transistor indicado y depende del...