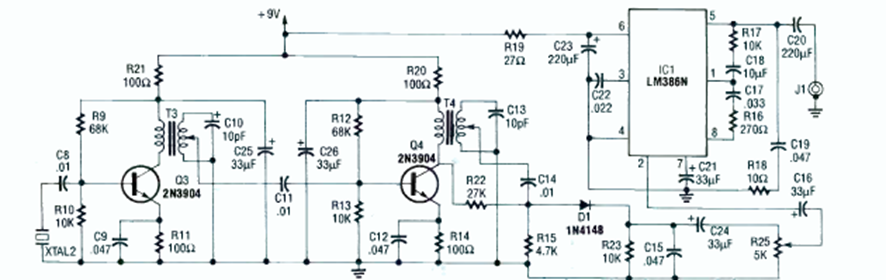
Este es el receptor del circuito anterior que se encontró en la revista Radio Electronics de noviembre de 1991. La frecuencia es de 2,2 MHz, determinada por las bobinas.
En esta serie de Mini-Proyectos damos montajes simples que pueden ser realizados por principiantes...
El circuito mostrado en la figura 1 genera un tono intermitente en un transductor piezoeléctrico cuando se...
La frecuencia de este oscilador llega a algunos megahertz con el transistor indicado y depende del...