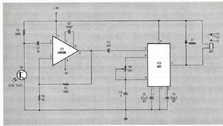
Este circuito es el receptor del transmisor del proyecto anterior. También lo encontramos en el número de 1989 de la revista Radio Electronics Experimenter.
En esta serie de Mini-Proyectos damos montajes simples que pueden ser realizados por principiantes...
El circuito mostrado en la figura 1 genera un tono intermitente en un transductor piezoeléctrico cuando se...
La frecuencia de este oscilador llega a algunos megahertz con el transistor indicado y depende del...