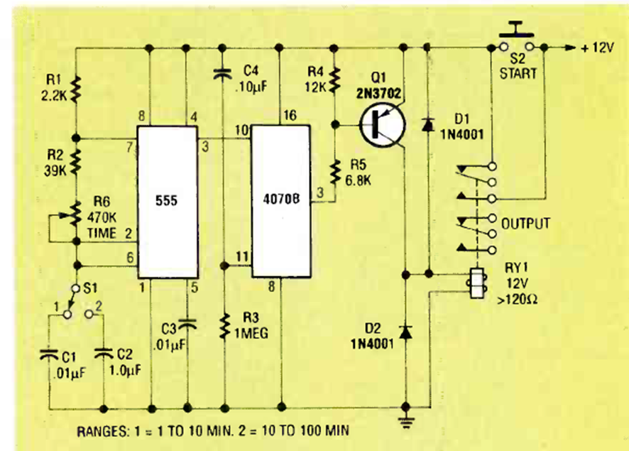
Este circuito se encontró en la edición de noviembre de 1992 de la revista Radio Electronics. El circuito cuenta con una etapa de amplificación para el relé. El relé es de 12 V.
Este es el circuito modulador para el transmisor de control remoto presentado en CIR11801. El...
El primer circuito es un preamplificador de audio con excelente ganancia y muy alta impedancia de entrada....
El flip-flop es la unidad de memoria de las microcomputadoras y ordenadores más grandes. Este...