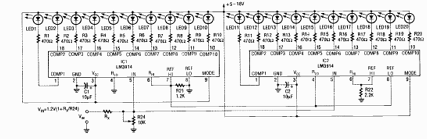
Este circuito es una alternativa al circuito anterior. Lo encontramos en el mismo artículo de la revista Radio Electronics de marzo de 1992. Los circuitos integrados son los LM3914.
En el circuito de la figura tenemos una aplicación de un transistor como oscilador. Para ello,...
La acción rápida de conmutación del 4093 ayuda a obtener un circuito de interruptor nocturno que no se...
La frecuencia de este oscilador depende de los capacitores y valores típicos para los resistores son...