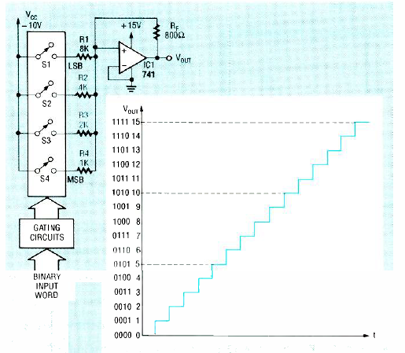
Este circuito convertidor de digital a analógico puede utilizar cualquier circuito integrado de conmutación digital. El circuito es de una revista Radio Electronics de julio de 1991.
En el circuito de la figura tenemos una aplicación de un transistor como oscilador. Para ello,...
La acción rápida de conmutación del 4093 ayuda a obtener un circuito de interruptor nocturno que no se...
La frecuencia de este oscilador depende de los capacitores y valores típicos para los resistores son...