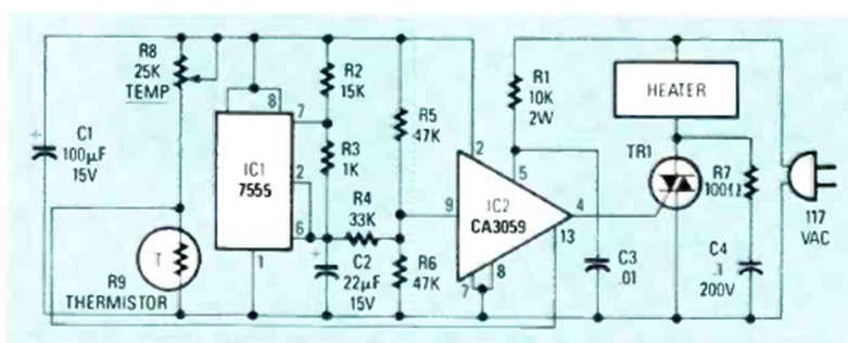
Este circuito fue encontrado en la revista Radio Electronics de octubre de 1987. El circuito es un control PWM con un 555. Parece que al 555 le falta una conexión que sería el pin 4.
En el circuito de la figura tenemos una aplicación de un transistor como oscilador. Para ello,...
La acción rápida de conmutación del 4093 ayuda a obtener un circuito de interruptor nocturno que no se...
La frecuencia de este oscilador depende de los capacitores y valores típicos para los resistores son...