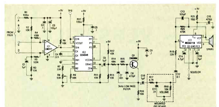
Este circuito funciona con los dos anteriores demodulando las señales moduladas FM capturadas. El circuito es de la revista Radio Electronics, diciembre de 1992.
Este aparato magnetiza instantáneamente pequeñas herramientas o piezas de metal u otro material que...
Describimos el montaje de un transmisor didáctico sin bobinas en una matriz de contactos de 170...
Se trata de una versión mejorada del circuito anterior en que cada toque tenemos el cierre de los...