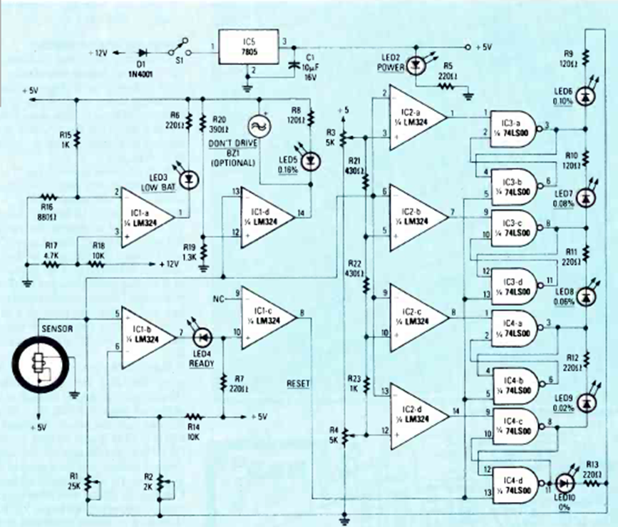
Este circuito fue publicado en un artículo de la revista Radio Electronics en octubre de 1988. Utiliza componentes que todavía son comunes hoy en día, a excepción del sensor, que es un tipo especial de esa época.
En el circuito de la figura tenemos una aplicación de un transistor como oscilador. Para ello,...
La acción rápida de conmutación del 4093 ayuda a obtener un circuito de interruptor nocturno que no se...
La frecuencia de este oscilador depende de los capacitores y valores típicos para los resistores son...