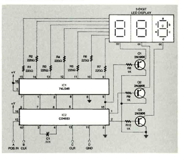
Este circuito es interesante para experimentos y puede formar parte del banco en forma de módulo. El circuito es de una revista Electroncis Now de marzo de 1995.

Este circuito es interesante para experimentos y puede formar parte del banco en forma de módulo. El circuito es de una revista Electroncis Now de marzo de 1995.
