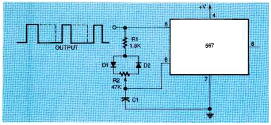
Este circuito generador de espaciador variable se encontró en la edición de diciembre de 1994 de la revista Electronics Now. La frecuencia depende de C1 y puede alcanzar un máximo de 200 kHz.
En el circuito de la figura tenemos una aplicación de un transistor como oscilador. Para ello,...
La acción rápida de conmutación del 4093 ayuda a obtener un circuito de interruptor nocturno que no se...
La frecuencia de este oscilador depende de los capacitores y valores típicos para los resistores son...