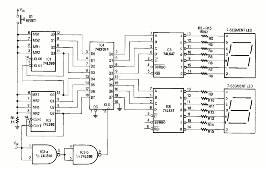
Este contador TTL se encontró en la edición de marzo de 1991 de la revista Radio Electronics. El circuito es parte de un proyecto más grande y debe ser alimentado con una tensión de 5 V.
En el circuito de la figura tenemos una aplicación de un transistor como oscilador. Para ello,...
La acción rápida de conmutación del 4093 ayuda a obtener un circuito de interruptor nocturno que no se...
La frecuencia de este oscilador depende de los capacitores y valores típicos para los resistores son...