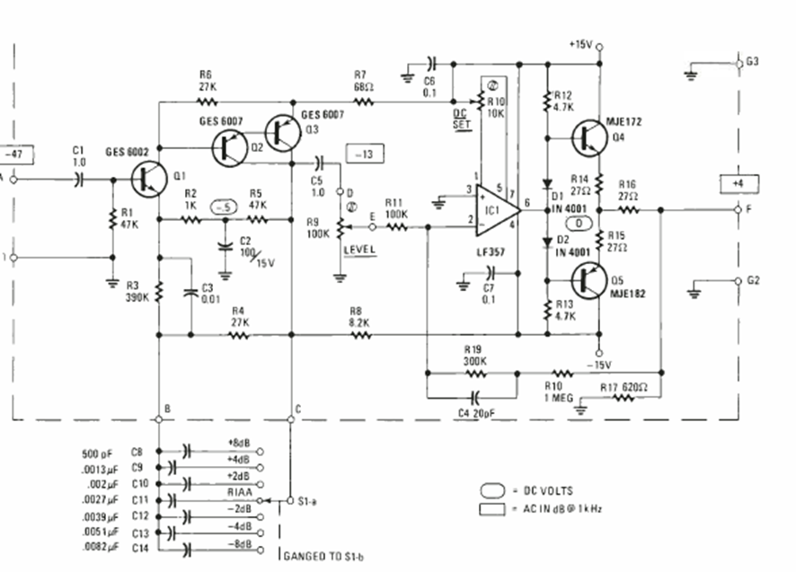
Este circuito fue encontrado en los Radio Electronics Special Projects de 1981. El circuito es estéreo y tiene una ganancia excelente utilizando componentes de la época que aceptan equivalentes modernos.
En muchos montajes descritos en este sitio de web y en nuestras otras publicaciones hacemos uso de...
El principio de funcionamiento de este circuito es el mismo que el de un cargador convencional de...
Si bien las transmisiones en AM tienden a desaparecer, así como los receptores, un viejo radito...