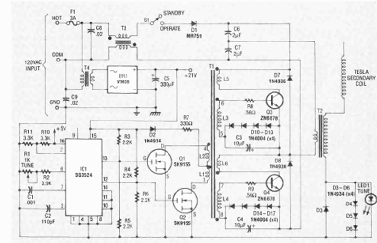
Este circuito es uno de los muchos que tenemos en nuestra sección. Fue tomado del libro Electronics Experimenter Jandbook de 1993. L1 tiene 10 vueltas y L2 tiene 1.000 vueltas en un tubo de PVC o cartón de 1 a 2 pulgadas.
En el circuito de la figura tenemos una aplicación de un transistor como oscilador. Para ello,...
La acción rápida de conmutación del 4093 ayuda a obtener un circuito de interruptor nocturno que no se...
La frecuencia de este oscilador depende de los capacitores y valores típicos para los resistores son...